The store will not work correctly when cookies are disabled.
Flange de montagem
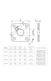
Acessórios Flange de montagem retangular NR 7000, rosca G1½", conexão para DN80 / 3", plástico PP (zu400765)
Especificações técnicas
Mais informações
| Tipo de peça de reposição |
Flange de montagem |
| Tamanho |
DN 80/ 3'' |
| Material |
PP |
| Conexão à pressão |
G1½" |
| Temperatura de processo |
-40…80°C (-40…176°F) |
| Pressão |
0,1 bar (1.45 psi) |
| Aplicações Ex |
não |
| Número de parafusos |
4 |
| Número de arruelas |
8 |
| Parafusos de fixação |
M16 x 60 |
| Conjunto de parafusos |
não incluídos |
| Número de item |
zu400765 |
| Utilizado para séries |
NR 7000 |